技术文章

下载中心 学习中心 FAQ 技术文章

博途演示 | 德克威尔EX系列差分编码器模块提升产线稳定性!

在现代工业自动化领域,客户常遇到系统不稳定、生产线效率低等痛点,分布式IO系统的重要性日益凸显。


德克威尔EX-6021模块经过更为严格的EMC以及高低温测试,运行稳定可靠,是提升自动化效率的理想选择。该模块广泛应用于工业自动化、机器人技术、伺服控制系统、电梯、电机控制以及其他需要精确控制位置和速度反馈的机械设备中。


EX-6021是单通道差分编码器模块主要有以下功能:


1、计数功能:

计数功能是EX-6021基本功能,用于实现计数现场输入脉冲输入个数等;


2、Z相功能:

此功能可以实现计数过程中,计数值自动清零;


3、初始值功能:

此功能可以设置计数初始值,可以实现计数值从初始值计数:


4、计数方向功能:

此功能可以实现EX-6021双向计数:0表示计数方向与实际旋转方向相同,1表示计数方向与实际旋转方向相反。


今天介绍德克威尔EX-6021在TIA Portal中的使用及其配置。



01

EX-6021在TIA Portal中的使用步骤


启动TIA Portal V17软件,选择“创建新项目”。选择创建项目的名称和路径,单击创建。


https://img.welllinkio.com//upload/20240930/d540903b1159b22410efca5f29bde5fa.png


步骤1:选择设备与网络,单击添加设备;

步骤2: 选择PLC型号(案例中使用的PLC型号是 S71200 );

步骤3:单击添加。


https://img.welllinkio.com//upload/20240930/601384f2e28daf7f61a105e0056650cf.png


添加GSD文件。


https://img.welllinkio.com//upload/20240930/8698b647ca0f7c390eb1a9d0ff4e7958.png


步骤1:选择GSD存放的路径;

步骤2: 选中对应的GSD文件;

步骤3: 选择安装(组态案例使用EX-1110耦合器)。


https://img.welllinkio.com//upload/20240930/cd25f199c47c212cd60915efae481172.png


添加PROFINET从站设备。


步骤1:点击网络视图;

步骤2: 点击其他现场设备;

步骤3: 点击其他现场设备;

步骤4: 点击WELL-LINK-IO,选择EX-1110耦合器模块。


https://img.welllinkio.com//upload/20240930/a8f967a18da8bbbc249d88eac4c61aae.png


连接PLC和PROFINET从站设备。单击DEC模块的未分配,并点击PLC-1.PROFINET接口。


https://img.welllinkio.com//upload/20240930/54052fbdcaba21b1e6f653fd39db34b3.png


添加单通道差分编码器模块。双击网络视图中添加的EX-1110耦合器模块,转到设备视图界面,选择耦合器模块中Counting,双击添加EX-6021。


https://img.welllinkio.com//upload/20240930/0dc26612722f486f28e49c40742ad57c.png


设置计数模块配置信息。1.点击EX-1110耦合器。


https://img.welllinkio.com//upload/20240930/1599788a7c4429817bc68c8af576d39f.png


打开设备视图,点击EX-6021-1,然后点击下方模块属性,选择模块参数,右侧项目框配置EX-6021配置参数信息。


https://img.welllinkio.com//upload/20240930/b78ee00eaee3efe9097b8705746192c7.png


组态及程序下载。网络视图中选择所有设备并下载点击。


步骤1:点击开始搜索;

步骤2:搜索成功后点击下载。


https://img.welllinkio.com//upload/20240930/9cf7c039a0fd40ddbb4ea6da2338ad93.png


程序下载完成后启动CPU运行,并转点击转至在线监控通讯是否正常。


https://img.welllinkio.com//upload/20240930/331341e8d64b2ad47242f41893d7ddeb.png


02

EX-6021配置参数

https://img.welllinkio.com//upload/20240930/c4e71dd5070baae1a1feee52d5377f90.png


注:参数设置需要在模块运行前配置,如使用TwinCAT则在Starup中设置;在OMROM软件中需要在模块编辑初始化参数设置中找到对应的模块并配置;如不需要设置则采用默认值,不需操作即可。


03

EX-6021过程数据


https://img.welllinkio.com//upload/20240930/ebdb73af0de4f12afb2ee14b8e6340f5.png


注:下行数据对应的地址为连续的地址,不可分开。其中下行数据(数字量和模拟量)需要用户根据现场使用场景设置,上行数据为模块运行反馈的数据。


04

EX-6021模块操作

1、计数功能


置EX-6021过程数据中的下行数字量Count Enable位,实现EX-6021计数功能,此时可采集现场输入脉冲,计数值在上行模拟量Count Value位反馈;


2、Z相功能


先置EX-6021过程数据中的下行数字量Count Enable位,实现EX-6021计数功能,然后设置下行数字量Z Phase Enable位打开Z相清零功能;


3、初始值功能


先置EX-6021过程数据中的下行数字量Count Enable位,实现EX-6021计数功能,然后设置下行模拟量Initial Count Value用户初始值 (0-4294967295),然后设置下行数字量Set Initvalue Enable位打开初始值功能;


例:设置 Count Enable = 1;

Initial Count Value = 1000;

Set Initvalue Enable = 1;

Count Value计数值变为1000,并从1000开始计数;


4、计数方向功能


先置EX-6021过程数据中的下行数字量Count Enable位,实现EX-6021计数功能,然后设置下行数字量Counting Direction位,其中0表示计数方向与实际旋转方向相同,1表示计数方向与实际旋转方向相反。


05

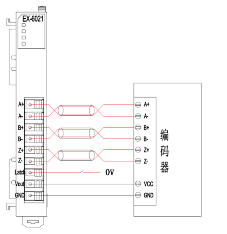
EX-6021端子接线

https://img.welllinkio.com//upload/20240930/63a12faff2e855aee60d72bcf745a0a9.png


3D 数据库